六角袋ナット
六角袋ナットは上面にキャップ部を持った六角ナットです。このコンテンツでは六角袋ナットについて紹介します。
規格について
表1に示すように規格化されています。JIS B 1183には六角袋ナットの種類と形状、寸法が規定されています。
表1 六角袋ナットに関する規格

種類
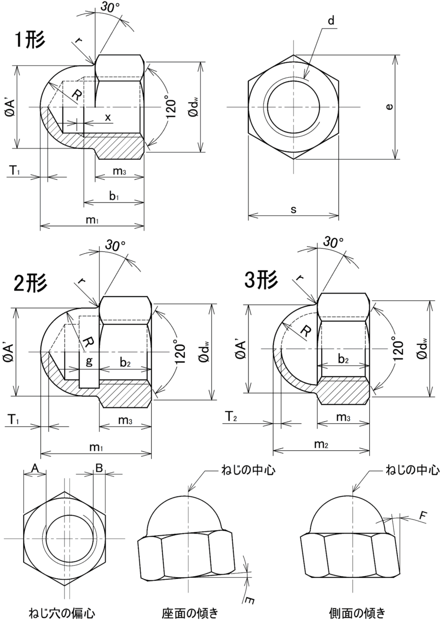
種類を表2に示します。二面幅と呼び径の比率(s / d)によって、六角袋ナットと小形六角袋ナットの2種類が規定されています。小形のものと区別する必要がある場合、s / d=1.45以上のものを並形六角袋ナットと呼びます。キャップ部の構造の違いによって、1形、2形、3形の3種類の形状が規定されています。
表2 六角袋ナットの種類

ねじ
ナットのねじはJIS B 0205に規定されているメートル並目ねじまたはメートル細目ねじです。公差域クラスはJIS B 0209の6Hです。
ねじの基準寸法、公差域クラスにつきましては、以下の技術ナビコンテンツに詳しく記述されています。
- 一般用メートルねじの基準山形と基準寸法(ねじの規格)
- 一般用メートルねじの公差(ねじの規格)
形状

図1 六角袋ナットおよび小形六角袋ナットの形状
形状を図1に示します。ねじのピッチによる形状の差はありません。
1形にあるxは不完全ねじ部の長さです。約1.5P(P:ねじのピッチ)です。
ねじ穴の面取りは、ねじの谷底よりもわずかに大きい程度とします。
寸法
表3に六角袋ナットの寸法、ならびに、表4に小形六角袋ナットの寸法を示します。
表3 六角袋ナットの寸法

表4 小形六角袋ナットの寸法

参考文献
日本産業規格 JIS B 1183:2010「六角袋ナット」




